Als ich vor gut 20 Jahren meinen ersten Bauvorschlag mit Eton-Chassis herausbrachte, gab es nur die eine Frage zu beantworten: Welche Körbchengröße braucht der Bass? Als ein paar Jahre später in der Selbstbau-Szene eine heftige Diskussion um das Membranmaterial entbrannte, schrieb ich in der K+T, dem damals wichtigsten Fachblatt für DIY: “Beherrschendes Thema des Lautsprecherbaus ist seit einiger Zeit die Frage nach dem besten Membranmaterial, ist es Metall, Pappe, Polypropylen? Ruhig und gelassen zurücklehnen darf sich bei dieser Diskussion einzig die in Neu-Ulm ansässige LPG, die mit der hauseigenen Marke Eton seit der Erfindung des Hexacone-Sandwichs unbestritten nur noch das Gerangel um den zweiten Platz beobachtet.” Es gab auch Veränderungen bei Eton, so wurden die Symphony 1 und 2-Serien mit neuen Körben dem gängigen Standard angepasst, die patentierte Membran wechselte nicht.
Seit einiger Zeit erkennen wir jedoch ein paar Mutationen im Gefüge. Es erschien ein Mitteltöner mit Keramik-Membran, den wir umgehend in unserer Little Princess mit einer passende Umgebung umgaben. Bald darauf wurde eine ganze Serie exklusiver Chassis entwickelt, die auf dieses Material setzt. Augenfällig ist dort die polarisierende Optik, sicherlich kein ganz ungewollter Effekt.

Hierauf zielt ebenfalls die neue Orchestra-Linie ab, deren im Vergleich zu Hexacon- und Keramik-Sandwich einfache Pappmembran von einer Reihe eingestanzter Furchen durchzogen ist, die aus dem Zentrum zum Rand laufen.
Dazu schreibt Eton: “Unsere Orchestra-Serie mit klassischer Papiermembrane, durch ETON-Know-how neu interpretiert. Die spezielle, radiale Rippenversteifung und das langfaserige, hochdämpfende Papiergemisch erzeugen eine sehr hohe Impulstreue und Präzision, selbst bei äußerst hohen Pegeln – ganz zu schweigen von der daraus resultierenden, individuellen Optik.
Das spezielle Papiergemisch garantiert durch die Vermeidung von Modenbildungen Homogenität in sämtlichen, darstellbaren Frequenzbereichen. Die Orchestra Mittel- und Tieftöner zeichnen sich durch ihren natürlichen, warmen Klang aus. Das Ergebnis ist ein ausgewogener, gut konturierter und weicher Mitteltonbereich. Im Tieftonbereich kann unsere Orchestra durch voluminöse und impulsive Basswiedergabe mehr als überzeugen.
Der Ferrit-Antrieb sorgt durch mehrfache Belüftung und einen strömungsgünstig ausgeformten Gusskorb dafür, dass eventuell auftretende Kompressionseffekte auf ein
Minimum reduziert werden.”
Als ich die Orchestras zum ersten Mal sah, hatte ich sogleich eine Margherite im Kopf. Augenblicklich versuchte ich, für die neue Bausatz-Serie daraus einen recht blumigen Namen zu ersinnen. “Black Margherita” war etwas zu lang, deshalb wurde profaner “Chorus” daraus.
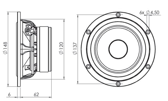
Für unseren ersten Bausatz der Chorus-Reihe suchten wir uns den 5-612/ C8/ 25 RP aus, dessen Schwingeinheit sich den Korb und das Magnetsystem mit dem 5-212 teilt, den wir zum Zentralgestirn der Linie 5 machten. Dafür hatten wir einen guten Grund, denn mit den Chorus 51 wollen wir nicht nur einen eigenständigen Bausatz auf den Markt werfen, sondern auch die Frage nach der preisgünstigen Rear-Version für das Duetta-Heimkino beantworten. Wie üblich haben wir das Chassis vor der anstehenden Gehäuseplanung auf die Messwand geschraubt und seine Daten ermittelt.
5-612/ C8/ 25 RP



Ausstattung:
| Membran: | Pappe | Polplattendicke | 6 mm |
| Sicke | Gummi | Wickelhöhe | 10 mm |
| Korb | Druckguss | Magnetdurchmesser | 90 mm |
| Polkernbohrung | ja | Befestigungsbohrungen | 4 mm |
| Zentrierung | Flachspinne | Außendurchmesser | 148 mm |
| Magnet | Ferritmagnet | Einbaudurchmesser | 120 mm |
| Schwingspule | 25 mm | Einbautiefe | 68 mm |
| Träger | Kapton | Frästiefe | 6 mm |
Parameter:
| Fs | 55 Hz | Mms | 8,5 Gramm |
| Diameter | 101 mm | BL | 6,1 Tm |
| ZMax | 102 Ohm | VAS | 8,9 Liter |
| Re | 5,4 Ohm | dBSPL | 89 dB/2,83V |
| Rms | 0,38 kg/s | L1kHz | 0,48 mH |
| Qms | 7,7 | L10kHz | 0,26 mH |
| Qes | 0,42 | SD | 80 cm² |
| Qts | 0,41 | MMD | 8,1 Gramm |
| Cms | 0,99 mm/N | Zmin | 6,3 Ohm |
Messungen:





Beim Hochtöner entschieden wir uns für den 25 SD 4, der im schon für den 26 HD 3 verwendeten Korpus steckt. Über ihn schreibt Eton:
“Die hochdämpfende, hauseigene Beschichtung der Gewebekalotte wird von Hand aufgetragen. Dieses Verfahren garantiert neutrale Klangeigenschaften, die sich in einem feinzeichnenden, voluminösen und warmen Klang widerspiegeln. Das große angekoppelte Zusatzvolumen bewirkt niedrige Resonanzfrequenzen und somit eine bessere Ankopplung zum Mittelton. Die speziell belüftete Spule und die Magnet-Geometrie sind auf ein freies, impulstreues Schwingungsverhalten ausgerichtet.”
Auch ihn schraubten wir erst einmal auf die Messwand, wo nach unserem Verständnis jedes neue Chassis ohne Frage hin gehört.
25 SD 4


Ausstattung:
| Membran: | Gewebe | Polkernbohrung: | ja |
| Schwingspule: | 25 mm | Ferrofluid | nein |
| Wickelhöhe: | 1,2 mm | Bohrungen: | 4 |
| Polplattendicke: | 2 mm | Außendurchmesser: | 90 mm |
| Linearer Hub: | 0,8 mm | Einbauöffnung: | 66 mm |
| Membranfläche: | 5,8 mm² | Einbautiefe | 26,5 mm |
| Magnet: | Neodym | Frästiefe: | 6 mm |
Parameter:
| Fs | 685 | Hz | ZMax | 29,3 | Ohm |
| Re | 6,8 | Ohm | L1kHz | 0,03 | mH |
| Qms | 3,90 | L10kHz | 0,01 | mH | |
| Qes | 1,2 | Zmin | 7,8 | Ohm | |
| Qts | 0,92 | SPL 2,83V/ 1m | 92 | dB |
Messungen:





Knapp 9 Liter Reflexvolumen mit 18,5 cm langem HP 50 schlug meine Gehäuse-Simulation angesichts der eingetippten Parameter vor, ich wollte jedoch aus optischen Gründen zwei HP 35 einsetzen. Die haben zusammen die gleiche Öffnungsfläche, sind aber nur 12,5 cm lang und passen für die Abstimmung auf die Resonanzfrequenz des BMT in 10 Litern. Bei 19er MDF waren das dann außen 34 (H) x 21,8 (B) x 25 (T) cm, was in Sketchup so aussah:



Die inneren Bretter für meine Testaufbauten schnitt ich aus schwarzem MDF, oben wurde auf Gehrung gesägt. Multiplex an den Seiten macht die recht kompakte Box schlank. Der Aufbau ist simpel, trotzdem gibt es die obligatorischen Bilder davon, wortlos kommentiert.







Nach dem Trocknen und Schleifen wurden die Kästen geölt, ein paar Stunden später waren sie für den Weichenbau bereit. Hierbei hielten wir uns an die Vorgaben der Duetta-Weichen, auch wenn sie uns theoretisch in der freien Gestaltung der Topologie beschränkte. Die Praxis sieht das anders, denn es gibt viele Wege, einen Lautsprecher abzustimmen. Die Ausrichtung auf voneinander unabhängige Stereo-Boxen haben wir längst aufgegeben, unsere Bausätze sind heute ausbaufähig und für das Heimkino kombinierbar. Das bedeutet aber keinesfalls, dass wir dadurch klangliche Abstriche zu Gunsten von Kompatibilität in Kauf nehmen müssen. Allerdings können wir uns auch nicht mehr allein damit zufrieden geben, dass der Bausatz gut klingt, es sind noch ein paar zusätzliche Dinge zu berücksichtigen.
Die Weichenentwicklung beginnen wir stets mit dem Messen der Chassis im Gehäuse, woraus wir die zweckmäßige Trennfrequenz ablesen können. Eine Kernspule mit 1,4 mm Drahtstärke, sowie ein Saugkreis auf die Resonanzspitze um 5 kHz bringen den Bass in Form. Den kleinen Buckel um 1 kHz lassen wir unbehandelt, durch Wandnähe, dem natürlichen Aufenthaltsort der Chorus 51, wird er untenrum aufgefüllt. Das berücksichtigten wir ebenfalls beim HT-Pegel, der mittels Spannungsteiler auf 87 dB gebracht wurde. Ein Filter 2. Ordnung vollendet den Weichenbau.



Abschließend wurden die Weichen hinter dem Hochtöner auf die Rückwand geklebt und drei Matten Dämmstoff (20 x 25 cm) in die Gehäuse gelegt. Der Bereich um die Reflexrohre bleibt wie immer frei.



Schnell noch Terminal und Chassis angelötet und fertig ist unser erster Bausatz mit den Orchestra-Chassis.

Messungen:





Fehlt nur noch die Hörprobe, zu der sich die Chorus 51 mit dem guten, alten Marantz 4300 zusammenschloss. Auf meiner Festplatte sprang mir Ramsteins “Mein Herz brennt” ins Auge, sicher nichts, was für die kleine Eton-Box geschrieben wurde. Naja, mach an, hab ich lang nicht mehr gehört. Vielleicht noch etwas zu leise. Gerade will ich den Regler weiter aufdrehen, da legt die Musik plötzlich los und füllt mit einem Schlag (eigentlich waren es viele) den Raum. Das hätte ich nicht erwartet, die Kleine macht einfach von jetzt auf gleich auf groß.


Stilwechsel: Randy Crawford: Same old Story. Bassdrum mit Druck, dank leichter Mittensenke um 1,5 kHz tolle Räumlichkeit und Dynamik, für die solche Mickerboxen kaum bekannt sind. Saxophone mit allen Nebengeräuschen, die halt beim Spielen entstehen, ihre ausdrucksvolle Stimme verständlich vom ersten bis zum letzten Buchstaben. Gleich noch einmal in ruhig: Rebecca Pidgeon: Spanish Harlem. Kein Gedränge auf der Bühne, sondern viel Luft um Instrumente und Sängerin. Bei der “Ritsch-Ratsch-Polka” von Strauß (Sohn) ist die Kesselpauke etwas zu klein geraten, eher verzeihlich für einen Fünfzoller, der auch größere Brüder hat. Es stimmte jedoch die Feinauflösung bis ins kleinste Detail, wofür sicher kein zu schriller Hochton verantwortlich zeichnete. Harmonisch vom Bass bis in die Triangel präsentierte sich ein Orchester, in dem niemand den Nebenmann übertreffen wollte, das Zuhören war ein Genuss. Darf man solch einen Lautsprecher wirklich zum Rear im Heimkino degradieren? Nun, wenn man nichts Schlechteres hinter sich stellen kann, sind auch Perlen im Nacken keine Majestäts-Beleidigung.
Udo Wohlgemuth
Zur Chorus 51 im Online-Shop


