Hallo Community,
der Ursprung dieses Beitrages liegt bereits länger zurück, ein Besuch bei altbekannten DIY-Kollegen eines anderen Fachbereiches, den Funkamateuren war damals angesagt. Sie beschäftigen sich naturgemäß mit viel höheren Frequenzen als wir Akustik-Niederfrequenzler, neben hundertwattstarken Sendern müssen sie gleichzeitig höchstempfindliche Empfänger betreiben. Bei ihren Diskussionen wurde u.a. das Thema angesprochen, dass jemand ein preiswertes Schaltnetzteil (SNT) in ein 100 Watt Sendemodul eingebaut und entstört hat. Ich wurde aufmerksam, die beiden Threads im ADW-Forum über ‚Sauberer Strom‘ oder ‚Pimpen D-Class Verstärker‘ waren mir noch präsent.
Es entwickelte sich ein kurzer, interessanter Informationsaustausch zwischen mir und den Profis. Ich konnte anmerken, dass bei uns Niederfrequenzlern durchaus über Themen wie „ist da irgendetwas wie Kratzer, Rauschen akustisch wahrnehmbar, wenn ein SNT die NF-Elektronik speist“ oder – viel wichtiger – kann man etwas gegen solche SNT-Störungen tun?
Ihre erste Meinung war, dass dies für uns Niederfrequenzler eigentlich kein Thema sein dürfte, die Schaltfrequenz der SNT’s liegt weit oberhalb der menschlichen Hörgrenze im Ultraschallbereich. Ich konnte auf die vielen Diskussionen und Meinungen in der einschlägigen HiFi-Szene verweisen, danach kann es durchaus zu Beeinflussungen in der NF-Elektronik kommen. In der heutigen HiFi-Kette sind verschiedenste Baugruppen angeordnet, die Digitaltechnik ist auf breiter Ebene präsent. Die „Störungen“ vom SNT, die Grundwelle und die Oberwellen, haben damit vielfältige Einfallstore in diese HiFi-Kette, das muss nicht immer nur der Leistungsverstärker sein.
Die HF-Techniker, die Funkamateure, sie leiden extrem unter solchen SNT-Störungen, ihr Tenor: „Das sind keine Störimpulse, das sind ganze Störteppiche, sehr übel, jedes Mikrovolt stört die sensible Empfangstechnik.“ Die SNT-Oberwellen reichen weit in den MHz-Bereich hinein und führen zu Störpegeln welche eine Signalauswertung bei ihrer µV-empfindlichen Empfangstechnik extrem erschweren. Dann die Aussage ihrerseits: „Man bekommt das ganz gut weg!“
Das musste ich sehen. Das Sendemodul war vor Ort, ein wenig geschraubt, ein paar neugierige Blicke meinerseits in ihre eigenhändig modifizierte Hardware, aha, so wird es gemacht. Eigentlich ganz einfach.
Seit SNT’s eingesetzt werden, ist das Thema ihrer mehr oder weniger wirksamen „Entstörung“ vielfach in Online-Beiträgen (auch in Paper-Literatur!) sowie YT-Videos zu finden. Ich bekam ein paar werthaltige Links zu bereits veröffentlichten Beiträgen von gestandenen Funkamateuren, eine wahre Fundgrube! Zunächst gab es aber ein Problem.
Die unmissverständliche Mitteilung der Profis lautete: „Du brauchst einen vernünftigen Spektrumanalysator“! So etwas hat man aber nicht so eben herumliegen…
Und wenn ich aus diesem Grunde nichts messen kann, dann kann ich auch nichts wissen.
Ich könnte nur stupide und blind nachbauen, es gäbe keine Erkenntnisse, ob da etwas, was da nicht hingehört, vorhanden ist. Sämtliche Schaltungsmodifikationen wären nicht überprüfbar, ein totaler Blindflug. Nein, das macht keinen Sinn, das reicht mir nicht.
Ich: „Könnt ihr mir einen leihen? Ich habe nur einen Oszi.“
Profis: „Wie alt ist er denn?“
Ich: „Na ja, vier Jahre. Zweikanal, 200 MHz, von Siglent, steht gut verpackt im Werkstattschrank.“
Profis: „Dann hast du einen gut verpackten, modernen Spektrumanalysator im Schrank.“
Ich: „Uups…“
Zu Hause die Bedienungsanleitung des Siglent ausführlich durchgelesen. Na klar, er kann FFT (Zerlegung eines Signales in Grund- und Oberwellen), und das ist ein Spektrumanalysator. Ein moderner, digitaler Spektrumanalysator ist vielfach wieder nur ein Computer, welcher durch die entsprechenden signalverarbeitenden Chipsätze plus der angepassten Software einen Oszillographen, zusätzlich mit FFT-Berechnung, abbildet.
Das Studium der mir mitgegebenen verlinkten PDF-Dateien von [1] Hans-Peter HB9BXE und [2] Wolfgang DG0SA (R.I.P.) lieferte vollends die theoretischen Grundlagen sowie eine Übersicht über die benötigten elektronischen Bauelemente plus ihrer Verschaltung und einigen Aufbauvorschlägen. Die gesamten Fachinformationen sind dort bestens und ausführlich vorgetragen, ich verweise in diesem Beitrag daher immer wieder auf die entsprechenden Seitenangaben in den Link-Quellen und erspare mir somit häufige, weiterführende Erläuterungen. Im Quellenverzeichnis am Ende des Beitrages sind u.a. diese Quellen pflichtgemäß angegeben.
Schnell war der Plan erstellt wie ich meinen eigenen Messablauf, direkt den vorzüglichen Ausführungen aus [1], [2] und [3] folgend, durchführe.
Der Plan
Teil 1: Messkopfaufbau
Teil 2: Drei einfache Schaltnetzteile: Vergleichende Testmessungen
Störspektrum primär (direkt + Zusatzfilter)
Störspektrum sekundär (direkt + Zusatzfilter)
Teil 3: Meanwell SNT RPS 400-36 sekundär HF-technisch entstören
Teil 1: Messkopfaufbau
Der Messkopf ist in [1] S. 17 als auch in [2] S. 11 beschrieben und war schnell nachgebaut. Ein bewickelter Ringkern, welcher mit einem 50 Ohm Widerstand abgeschlossen ist und über eine BNC-Buchse/Koaxkabel zum Eingang des Spektrumanalysators gelangt. Sobald ein Wechselstrom durch den Messdraht fließt, kann ich eine AC-Spannung auswerten.

Ich habe natürlich keinen kalibrierten Messkopf oder vermag auf geeichte Feldstärken zurückgreifen, tatsächlich brauche ich das nicht. Ich messe wirklich nur vergleichend, wo ändert sich etwas, wie stark sind diese Änderungen? Ich möchte Ergebnisse sehen.
Teil 2: Drei einfache Schaltnetzteile: Vergleichende Testmessungen
Zwangsläufig findet durch das SNT eine Abstrahlung der Oberwellen der Schaltfrequenz [1] statt. Diese Abstrahlung, oder Senden, erfolgt über die angeschlossenen elektrischen Leitungen und auch als elektromagnetische Impulse ‚On the Air‘. In [1] und [2] wurde erwähnt, dass beidseitig an der primären 220 V Seite und der sekundären Kleinspannungsseite diese Abstrahlungen stattfinden. Es muss auch an der Primärseite entstört werden, es dient der bidirektionalen Dämpfung von Störimpulsen. Diese gelangen nicht nur vom öffentlichen Netz hinein in das SNT, auch von ihm heraus ins öffentliche Netz hinein. Die Entwickler dieser Netzteile sind gefordert, sie müssen Sorge tragen, dass die Abstrahlungen, gleich welcher Art, möglichst minimiert werden.
Es standen drei zufällig vorhandene SNT zur Auswahl, ein Meanwell Netzteil mit 24 V / 120 W Ausgangsleistung, ein Universal Notebooknetzteil 12…24 V / 150 W von der Marke „König“ sowie ein verklebtes Notebook Netzteil 24 V / 4,5A mit einer Herkunft, welche ich im Nachgang absichtlich vergessen habe.
Störspektrum primär (direkt + Zusatzfilter)
In [1] S. 3,16 und [2] S. 8,9 wird zwischen zwei Arten von Störungen differenziert, es sind die Gleich- und Gegentaktstörungen. Beide müssen selbstverständlich minimiert werden, die vorgenannten Kollegen sind allerdings zu der Erkenntnis gekommen, dass kaum Gleichtaktstörungen auftreten, es geht hauptsächlich um die Gegentaktstörungen [1] S.16, 18, 19, 28 ff. und [2] S.13 ff. Hier einmal ein Werkbank-Foto ganz zu Beginn.
Links oben die Last, die in allen Messungen an die Sekundärseite der Netzteile angeschlossen ist. Vier 4 Ohm/ 100 Watt Leistungswiderstände, aktiv gekühlt. Sie sind frei verdrahtbar, standardmäßig auf 6 Ohm gesteckt, das SNT wird bei 24V mit 4 A (100 Watt) belastet.

An der Primärseite des Testmeanwells ist eine Kaltgerätesteckdose mit integriertem EMI-Filter angeschlossen. Die 220V~ L1-Ader (oder die N-Ader) geht durch den Messkopf.
Hinweis: Nach schaltungstechnischen Änderungen an der Netzspannungsseite sind solche Geräte immer mit einem geeigneten Prüfgerät von einer Elektrofachkraft abzunehmen! Der Begriff „Elektrofachkraft“ beschreibt das Ausbildungs- und Erfahrungsprofil eines Elektrofachmanns/einer Elektrofachfrau und wird sowohl in der DGUV-Vorschrift 3 als auch der DIN VDE 0105-100 bzw. der DIN VDE 1000-10 definiert:
„Elektrofachkraft ist, wer aufgrund seiner fachlichen Ausbildung Kenntnisse und Erfahrungen sowie Kenntnisse der einschlägigen Normen die ihm übertragenen Aufgaben beurteilen und mögliche Gefahren erkennen kann. Zur Beurteilung der fachlichen Ausbildung kann auch eine mehrjährige Tätigkeit auf dem betreffenden Arbeitsgebiet herangezogen werden“.
Ein erster Eigentest, was präsentiert mir der Spektrumanalysator, wenn ich ihn am Messeingang kurzschließe? Theoretisch eine schnurgerade waagerechte Linie.

Diskussion: Horizontal ist hier ein Frequenzfenster von 30 kHz bis 5.030 MHz gewählt. Im Bild ist der eigenerzeugte Rauschteppich zu sehen, es ist die Auflösungsgrenze meines Gerätes. Bei den von mir gewählten Geräteeinstellungen ist sie mit etwas unter -120 dB beziffert. Ich bin im µV-Bereich, das ist die erwartete schnurgerade, waagerechte Linie in der Praxis.
Der nächste Screenshot, der leere Messkopf ist angeschlossen.

Diskussion: Ich messe µV-Rauschen. Bei etwa 400 KHz ist ein kleiner Peak von +10 dB über dem Grundrauschen vorhanden, bei 2,5…2,7 MHz sind weitere kleine Peaks zusehen. Schalte ich meine Raumbeleuchtung aus (LEDs welche von SNT’s gespeist werden) minimiert sich das Spektrum. Der kleine Peak bei 400 KHz verringert sich, wenn die Sonne von Wolken bedeckt ist, die PV-Anlage der Nachbarn speisen weniger in das öffentliche Netz ein. Sobald die obere Frequenzgrenze von 5,03 MHz auf 120 MHz angehoben wird sehe ich die Peaks der UKW-Rundfunksender.
Die erste Messung, das Meanwell SNT läuft unter Last, die Messstelle befindet sich an der 220 V Zuleitung. (die ersten Messungen erfolgten noch mit einem Frequenzfenster von 2 kHz – 1.002 MHz. Im rechten Screenshot wurde zusätzlich ein 2-stufiger, professioneller AC/DC EMV-Filter in die 220 V Zuleitung eingefügt.


Diskussion: Im Meanwell sind mustergültige Filterbauelemente gemäß [3] S.10, 43 verbaut. Trotzdem ist ein deutliches Oberwellenstörspektrum zu erkennen, die ersten Vielfachen liegen bei 40 dB (100 fache) und 60 dB (1000 fache) über dem Grundrauschen. Mit dem zusätzlichen Filter ist eine Dämpfung von 10…20 dB zu ersichtlich.
Es folgt das Universal Notebook Netzteil der Marke „König“, erst direkt an der 220 V Zuleitung gemessen, dann wieder mit dem Schaffner Filter.


Diskussion: Ein schöner Vergleich mit dem Meanwell, ein ähnliches Spektrum, der positive Einfluss des zusätzlichen Filters ist wiederum klar erkennbar.
Zum Schluss das NoName Netzteil:


Diskussion: Autsch, das ist heftig. Ein hartes Spektrum, die Oberwellen sind prägnant erkennbar! Mit dem externen Filter werden vor hauptsächlich die Oberwellen höherer Ordnung um ca. den Faktor 10 gedämpft.
Hier stimmt etwas nicht. Günter, DL4ZAO hat in [3] ausführlich über solche Ausreißer referiert. Das Plastikgehäuse vom NoName Netzteil ist verklebt. Ich säge es auf, mit einer Metallbügelsäge sind die Klebenähte schnell getrennt. Zunächst einmal die Vergleichsansicht, König vs. NoName:

Ich muss nicht lange suchen, das Innenleben vom NoName präsentiert mehrere schwere Treffer. Der PE, der grüngelbe Schutzleiter läuft ins Leere, er ist nicht verschaltet.


Da braucht man natürlich auch keine Y-Kondensatoren bestücken, die wären unwirksam.
Die nächste Bombe, auf der 24 V Sekundärseite wurde sogar die die Stabkerndrossel durch eine simple Drahtbrücke ersetzt.

Diskussion: Das ist unfassbar. Ein Produkt mit einem CE-Zeichen, aber der PE-Leiter hängt in der Luft. Die Entstör-Maßnahmen sind nicht bestückt, es ist leider kein Einzelfall wie auch in [3] berichtet.
Das „König“ Exemplar kurz aufgeschraubt. Alle nötigen Entstörmaßnahme sind vorhanden, das Innenleben ist mit mehreren, selbstklebenden Kupferfolien aufwändig abgeschirmt und im Gehäuse sind Lüftungschlitze zur Wärmeableitung vorhanden. So kann es auch gehen, ich kann dieses mustergültige Produkt empfehlen.
Störspektrum sekundär (direkt + Zusatzfilter)
Die Hochlastwiderstände sind weiterhin auf 6 Ohm verschaltet, es fließen 4 A und der +24 V Zuleitungsdraht geht durch den Messkopf. Als erstes Produkt wieder das Meanwell, die Lastwiderstände sind direkt an ihm angeschaltet:

Diskussion: Das Spektrum ist wunderbar ausgebildet, die Oberwellen ragen teilweise mehr als 40 dB über das Grundrauschen hinaus.
Es folgen erste Filter Einsätze.
Das bereits erwähnte 2-stufige Schaffnerfilter eignet sich ebenso auf der Sekundärseite, mein Exemplar ist bis zu einer Stromstärke von 4 A konzipiert, das passt für meine Testzwecke. Bei anderen Anwendungen ist die Strombelastbarkeit solcher Filter selbstverständlich den konkret fließenden Stromstärken anzupassen.In Folge wurden weitere Siebkondensatoren hinter dem Filter an die Speisespannung geschaltet. In der einschlägigen Literatur findet man vielfältige Berichte, wo verschiedenste Kondensatoren zu ganzen Batterien parallel geschaltet werden. Sehr schön wird z.B. in einem konkreten Beispiel in [2] S. 6, 7 darüber diskutiert. Zitat: „vom verzweifelten Versuch der Konstrukteure, die Ausgangsspannung von Störungen frei zu bekommen“.
Das SNT weist als Urspannungsquelle einen sehr kleinen Innenwiderstand auf. Zur Glättung des Störspektrums muss nach den grundlegenden Kirchhoffschen Regeln der Innenwiderstand des Siebkondensators wesentlich niedriger als der Innenwiderstand des Netzteiles sein, der Urspannungsquelle. Nur dann kann das Störspektrum in der Amplitude kleiner werden.
Als reale Bauteile haben diese Kondensatoren je nach Bauform und Kapazität unterschiedliche, frequenzabhängige Scheinwiderstände (ESR). Es ist daher vorteilhaft, wenn mehrere solch verschiedene Typen parallel geschaltet werden.
Auf einer kleinen Lochrasterplatine habe ich 12 verschiedene Kondensatoren parallel geschaltet. Elkos mit Ultra-Low-ESR, Low-ESR, MKT, Präzision-Polystyrol sowie Keramiktypen hinunter bis in den pF-Bereich.

Im linken Screenshot ist das Schaffner-Filter 2-polig zwischen dem +/- 24 V Ausgang vom Meanwell und meiner Last geschaltet, im rechten blocken die 12-fach Kondensatoren die 24 V am Ausgang des Filters zusätzlich ab. Die Messsonde befindet sich wieder direkt an den Lastwiderständen.


Diskussion: Bereits der Einsatz des 2-stufigen Filters zeigt eine Dämpfung der Oberwellen um ca. 10 dB (~ 3 fache), der zusätzlich eingesetzte Multikondensator bringt kaum messbare Verbesserungen. Das Filter als reales Bauteil hat sowohl einen ohmschen als auch einen frequenzabhängigen Scheinwiderstand und bildet mit dem Multikondensator eine einfache RLC-Siebung. Dass müsste theoretisch einen verbesserten Siebeffekt ergeben…
Das „König“ Netzteil, die Lastwiderstände ohne 2-stufiges Filter angeschlossen:

Diskussion: Auch hier ein klar definiertes Spektrum, ähnlich dem Meanwell. Die Amplitude ist etwas kleiner, weiterhin ist erkennbar, dass die Schaltfrequenz dieses Exemplars etwas höher ist.
Weiter mit dem 2-stufigen Schaffner-Filter, dann zusätzlich die Kondensatoren:


Diskussion: Ein völlig anderes Verhalten als beim Meanwell! Es erfolgt ein mehr als deutlicher Rückgang des Störspektrums. Die Oberwellen werden allein durch das Filter um 30 dB gedämpft, ein sehr guter Wert. Die Kondensatoren zeigen bei der ersten Oberwelle eine Wirkung, bei den höheren Oberwellen ist kein signifikanter Effekt bemerkbar.
Zum Schluss das NoName Netzteil, zuerst direkt mit der Last verbunden:

Diskussion: Das toppt alles. Die Spitzenwerte liegen bis zu 80 dB über dem Grundrauschen, das ist das 10.000 fache. Ein Grundrauschen ist nicht mehr erkennbar, der Spektrumanalysator ist auf Mittelwertmessung eingestellt und die hohe Grundlinie zeigt an, dass ein vielfältiges, breitbandiges Störsignal großer Amplitude emittiert wird.
Und weiter mit dem 2-stufigen Filter, dann zusätzlich wieder die Kondensatoren:


Diskussion: Trotz des dazwischen geschalteten professionellen 2-stufigen Filters schafft man es nicht, dieses Netzteil auch nur halbwegs zu entstören. Das Filter zeigt hier überdeutlich seine Wirkung, es reicht aber bei Weitem nicht aus. Der Grundrauschpegel von -130 dB ist wieder sichtbar, aber die Spitzenpegel liegen im Vergleich zum Meanwell immer noch knapp 20 dB (10 fache) höher. Die Kondensatoren erbringen erneut nur bei den ersten beiden Oberwellen eine kleine Bedämpfung.
Die drei Testexemplare mussten noch einem Überlast-Test bestehen. Die Lastwiderstände wurden auf 3 Ohm verschaltet, das SNT musste 8 A liefern. Das Meanwell sowie das „König“ reagierten korrekterweise mit sofortiger Überstrom-Abschaltung.
Das NoName lieferte die geforderten 8 A, nach 30 Sekunden konnte man erste Hitzearomen einatmen. Die kleinen, freiliegenden(!) Kühlbleche hatten sich bereits auf 120 °C aufgeheizt. Nach einer weiteren halben Minute stiegen erste Rauchfähnchen auf und es folgte der sofortige Abbruch. Unter freiem Himmel konnte sich das Teil abkühlen, bevor es in der Kiste für den Wertstoffhof landete.
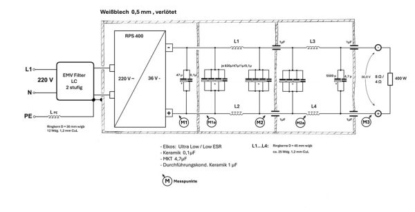
Teil 3: Meanwell SNT RPS 400-36 sekundär HF-technisch entstören
Es stand die konkrete Aufgabe, ein Schaltnetzteil für die Speisespannungsversorgung eine D-Class Verstärkers einzusetzen und möglichst gut zu entstören. Der Verstärker basiert auf dem TDA 7498E Chip, welcher als max. Betriebsspannung 36 V erlaubt, die anzusteuernden Boxen haben eine Impedanz von 8 Ohm. Lt. Datenblattangaben des TDA 7498 in Stereo BTL- Schaltung ist bei 36 V Betriebsspannung an einem 8 Ohm Lastwiderstand 70W Ausgangsleistung pro Kanal (THD von 1%) erreichbar. Bei einem THD von 10% sind es etwa 85 Watt pro Kanal.
Somit kann die Netzteildimensionierung erfolgen. Im Worstcase-Szenario beträgt die Summenleistung 170 Watt, plus den Wirkungsgradverlusten kann man von 200 Watt ausgehen. Gemäß den Empfehlungen von führenden Schaltungsentwicklern soll die SNT-Netzteilleistung deutlich höher liegen [4] S.145, ich wähle ein Meanwell SNT RPS 400-36 ohne Gehäuse. Es liefert ohne Zwangskühlung 252 Watt Ausgangsleistung, mit Zwangskühlung (25 CFM) 403 Watt. Den Einsatz eines Lüfters bereite ich vor.
Zurück zu den Funkamateuren, den HF-Technikern. Insbesondere in [1] ist die eigentliche Vorgehensweise zum Entstören erläutert, es sind die Gegentaktstörungen, welche es zu eliminieren gilt. Dazu werden Ringkerndrosseln in beide sekundäre Netzteilausgänge geschaltet. Ich wähle die Variante mit Einzeldrosseln. Dadurch hat man mehr Freiheitsgrade, ich konnte aus ausgeschlachteten PC-Netzteilen die gelb/weißen Ringkerndrosseln gewinnen. Die vorhandenen doppelt oder dreifach Wicklungen müssen auf eine Wicklungsebene abgewickelt werden! [4] S.130…132
Für die Minimierung des kapazitiven Übersprechens empfehlen die HF-Techniker folgendes Wickelschema:

Messtechnisch konnte ich keinen Unterschied bei dieser mittleren Lücke feststellen, die räumliche Trennung zwischen Wicklungsanfang und -ende war völlig ausreichend.
Als Siebglieder werden wieder parallel geschaltete Multi-Kondensatorenpakete mit kleinem ESR eingesetzt.
Und ich werde Klempner.
Dies ist der springende Punkt, die Drosseln mit ihren zugehörigen Kondensatoren müssen in ein HF-dichtes Gehäuse verbaut werden. HF-dicht heißt, dass ein metallisches Gehäuse allseits geschlossen ist, sämtliche Baugruppen oder Bauelemente befinden sich innerhalb dieser Umhausung. Bei mehrstufigen Anordnungen werden die Einzelbaugruppen, welche sich nicht beeinflussen dürfen, in getrennten Kammern angeordnet.
Das Material der Wahl ist preisgünstiges Weißblech. Das ist vollflächig verzinntes Eisenblech mit einer Materialstärke von weniger als 1 mm. (Konservendosen bestehen aus Weißblech, wegen dem Kontakt mit Nahrungsmitteln ist es mehrfach lackiert)
Es lässt sich leicht zuschneiden, biegen und ausgezeichnet mit normalem Lötzinn verlöten.

Das dünne Weißblech lötet sich durch die industrielle Verzinnung erstklassig, ein herkömmlicher 60 Watt Lötkolben reicht allemal. Das primäre EMV-Filter befindet sich außerhalb des HF-Gehäuses, es hätte auch mit in die linke Kammer zum Netzteil PCB eingebaut werden können.
In den Ecken und in der Mitte sind sechs M3 Abstandshalter aus Messing verlötet. Es empfiehlt sich, während des Einlötens eine lange M3 Schraube oder Gewindestange als Justage Hilfe in den Abstandshalter einzudrehen, jetzt können sie problemlos lotrecht fixiert werden. Der Deckel mit dem umgebördelten Rand kann somit HF-dicht festgeschraubt werden.
Der Schaltplan:

Die Hochlastwiderstände sind auf 8 Ohm verschaltet, folglich wird das SNT bei 36 V mit 4,5 A belastet. Der HF-dichte Leitungsein- und austritt bei der rechten Kammer erfolgt mittels verschraubter Durchführungskondensatoren.

Ich beginne mit zunächst leeren Kammern, in der linken wird das SNT verschraubt und über das EMV-Filter mit 220 V ~ versorgt. An der Sekundärseite vom SNT sind direkt zwei Kondensatoren mit 47µF und 0,1µF geschaltet. Für genau diese Bestückung hat Meanwell im Datenblatt einen max. RIPPLE & NOISE Wert von 200mV p-p angegeben.
Schnell den Digital-Oszi auf „normalen“ Oszillografen Betrieb umgeschaltet, tatsächlich, ich lese ~ 160 mV Spitze-Spitze ab. Sehr gut. Wieder zurück auf Spektrumanalysator, ich lege die obere Frequenzgrenze auf 5 MHz fest. Die Messsonde am Messpunkt M1 erst ohne die 47µF//0,1µF Kondensatoren, dann mit:


Diskussion: Die Parallelschaltung der vom Hersteller empfohlenen beiden Kondensatoren direkt am Netzteil bewirkt einen Abfall der Oberwellenamplituden insbesondere ab 1,5 MHz aufwärts, unter 1 MHz passiert noch nichts Gravierendes.
Mein medizinisches Meanwell RPS400-36 hat eine Eigenheit, der Taktoszillator für die Schaltfrequenz wobbelt. Die Schaltfrequenz hat einen Sweep von einigen Kilohertz, ein Frequenzdurchlauf benötigt ca. 10 Sekunden. Der Spektrumanalysator ist auf Mittelwertmessung eingestellt, nur so kann er das allgemeine Rauschsignal vom sehr kleinen Nutzsignal trennen. Das bedingt ein über den Wobbeldurchlauf zeitlich aufsummiertes Multifrequenzsignal welches diese etwas ‚verwaschene‘ Spektrum Anzeige ergibt.
Weiter geht es in die mittlere, noch leere Kammer. Beide + und – Leitungen werden durch eine kleine Bohrung in der Trennwand gesteckt und die Messsonde über die + Leitung geschoben. Messpunkt M1a:

Diskussion: Das ist interessant. Es ist immer noch derselbe Draht wie im vorigem Bild M1 mit den Caps. Beide Bilder müssten identisch sein, sind es aber nicht. Die Oberwellen unter 1 MHz weisen eine kleinere Amplitude auf. Sollte nur die zusätzliche Abschirmkammer dafür Ursache sein?
Die mittlere Kammer wird komplett bestückt. Messpunkt M2 und M2a (wieder derselbe Draht, aber in der nächsten Kammer):

Diskussion: Am Ausgang der mittleren Kammer bzw. Eingang der rechten Kammer sind jetzt identische Signalverläufe zu verzeichnen. Ab 1 MHz verschwindet das Störspektrum im allgemeinen Rauschteppich. Solch niedrige Werte, ein großer Erfolg, das beobachte ich das erste Mal.
Es folgt die zweite Stufe, schlussendlich hinter dem Gehäuseausgang, Messpunkt M3:

Diskussion: Geschafft! Was ich nicht erwartet habe, ist eingetroffen. Das breitbandige Störspektrum ist im Grundrauschen verschwunden, mit meinen doch recht empfindlichen Messmitteln ist nichts mehr festzustellen. Auch bei erhöhter Belastung mit 36 V / 9A blieb die Anzeige unverändert. Zum Vergleich nochmals das Bild des Eigenrauschens vom Siglent bei kurzgeschlossenem Messeingang.

Fazit
Zunächst wurden drei zufällig vorhandene SNTs mit einem Spektrumanalysator an Hand ihrer EMV-Störemissionen vergleichend überprüft. Die in den Quellenangaben [1], [2] und [3] vorgetragenen Aspekte kann ich, aufbauend auf den kurzen, einfachen Messungen klar bestätigen. SNTs weisen unterschiedliche Verhalten auf, man kann nicht davon ausgehenn dass eine von beliebig vielen Entstörmaßnahme bei allen Typen das gleiche Ergebnis erbringt.
Es gibt, gerade bei preiswerten Exemplaren, teils inakzeptable Ausführungen. Die für die Funktionsweise nicht notwendigen Bauelemente, welche aber zur Entstörung unbedingt erforderlich sind, sind u. U. nicht bestückt oder überbrückt.
Man kann hier DIY-aktiv tätig werden. In einer ersten Stufe kann man industriell hergestellte, möglichst mehrstufige Filter zusätzlich verschalten. Sie bewirken sowohl auf der Primär- als auch auf der Sekundärseite eine Dämpfung des Störspektrums. Für den Fall von Arbeiten an der primären 220 V~ Seite sei nochmals an die anfänglich genannten fachlichen Vorrausetzungen für den entsprechenden Personenkreis erinnert!
Der alleinige Einsatz von Siebkondensatoren an der Sekundärseite zeigt nur wenig nennenswerte Verbesserungen. Die niederen Oberwellen werden, abhängig vom SNT-Typ, lediglich um ein paar dB in ihrer Amplitude gesenkt. In einer zweiten, intensiveren DIY-Aktivität ist der vollständige Einbau in ein allseits geschirmtes Gehäuse plus dem Einsatz von diskret aufgebauten, allpoligen LC-Filtern vorzunehmen. Das Ergebnis ist eine ultimativ verbesserte, zuverlässige Weitbereichs-Entstörung.
FAQ
F: Warum ist da ein relativ großer 5500µF Elko am Ausgang eingebaut? Hat das etwas damit zu tun, dass hin und wieder der zusätzliche Einsatz von großen Ausgangskondensatoren bei SNT’s empfohlen wird?
A: Zuweilen sind Aussagen zu finden wie „die guten, alten Linearnetzteile, schaut, welche Power permanent zur Verfügung steht! Elkos von 22.000µF oder 47.000µF oder noch viel mehr, was für potente Energielieferanten“ oder die „guten, alten Linearnetzteile“!
Solch geframten Wortkonstrukte versuchen zu implizieren, dass Linearnetzteile „Gut“ und „Bewährt“ sind, während Schaltnetzteile es eben nicht sind. Tatsächlich haben beide Ausführungsvarianten ihre Vor- und Nachteile, beide. Beide versorgen die an ihnen angeschlossenen Verbraucher mit einer unterbrechungsfreien Stromversorgung.
In beiden sind am Ausgang Elektrolytkondensatoren -als Glättungs- oder Siebkondensatoren- eingesetzt. Sie sind der notwendige Energiespeicher, welcher in der Totzeit, der Zeitspanne, in der von der Gleichrichtung nichts geliefert wird, die Versorgung der Last übernimmt. Es gab keinen Grund den 5500µF Elko einzubauen.
F: Ist ein Elko wie hier mit ca. 5000µF überhaupt ein großer Kondensator?
A: Ein Kondensator mit der Kapazität von einem Farad (das wären etwa 45 Stk. mit je 22.000µF) speichert die Ladung von einem Coulomb. Sollte er auf 24V aufgeladen sein und eine Sekunde lang mit einer Stromstärke von 1A entladen werden, sinkt die Spannung an ihm um ein Volt, hier auf 23V.
F: Noch einmal zurück zum Linearnetzteil, in meinem sind 22.000µF verbaut, die könnte ich leicht upgraden.
A: Warum nicht…
Bei Linearnetzteilen mit einer Vollwellengleichrichtung (Europa 50 Hz, 10 ms Halbwellen) müssen diese 10ms-Sinuslücken möglichst gut geschlossen werden, Glätten ist der geläufige Begriff. Je größer der Elko umso niedriger die Restwelligkeit.
(Dazu ein Beispiel. Gegeben ist ein TPA 3116 Verstärker mit zwei 8 Ohm Sat-Boxen und ein 4 Ohm Sub, die Betriebsspannung beträgt 24V. Lt. Datenblatt des TPA 3116 beträgt die max. Ausgangsleistung 33W für jede Sat-Box und 60W für den Sub, alles bei THD+N 1%. Inklusiv der Wirkungsgradverluste der D-Class Verstärker werden im Worst-Case Fall vom Netzteil mind. 130 Watt bzw. 5,5A gefordert. Wie groß müsste jetzt der Ausgangs-Glättungskondensator des Linearnetzteils sein, damit die Restwelligkeit der Ausgangsspannung nicht über 1V steigt bzw. die Ausgangsspannung nicht unter 23V sinkt? Ein Blick in gängige Online-Rechner ermittelt hier einen Wert in der Größe von etwa 50.000µF.)
F: Und beim Schaltnetzteil?
A: Wir bleiben bei der eben genannten Dimensionierung, 5,5A werden entnommen. Bei 38 kHz Schaltfrequenz (alle 13µs liefert die Gleichrichtung Energie) und einem sekundären Glättungskondensator von 2 x 1000µF beträgt die Restwelligkeit jetzt 0,05V.
F: Macht es dann überhaupt Sinn, solche augenscheinlich überdimensionierte Kondensatoren am Ausgang eines SNT einzusetzen? Ich möchte meinem Verstärker immerhin etwas Gutes tun.
A: Zunächst, wieder sind wir beim Framen, etwas „Gutes tun“. ??
Sollte dein Verstärker jederzeit, zu jeder µs oder ns stabil mit seiner Betriebsspannung versorgt werden, geht es ihm hervorragend. Besser wird es nicht.
Tatsächlich könnte der Einsatz solch externer Kondensatoren in einigen, speziellen Fällen hilfreich sein, falsch ist es jedenfalls nicht. Denn wenn das SNT hinsichtlich der von ihm abverlangten Leistung zu schwach dimensioniert ist, kann es bei Überlastspitzen durchaus zu einem Spannungseinbruch kommen. Solche Überlastspitzen treten i.d.R. bei tiefen Frequenzen auf (größte Leistung), hier kann solch ein Kondensator puffern und das Clipping etwas hinauszögern.
(Wieder ein theoretisches Beispiel. Das o.g. 24V SNT ist zu knapp bemessen und bei 25 Hz Bass-Vollaussteuerung bricht die 24V Betriebsspannung in den Überlastspitzen auf 20V zusammen. Abermals soll die Betriebsspannung nicht unter 23V sinken, der Ausgangskondensator müsste dazu in der Größenordnung von 50.000 – 70.000µF liegen. Ob das SNT mit solch einem dicken Brocken zurechtkommt, steht auf einem anderen Blatt. In manchen Hersteller-Datenblättern wird von solchen Zusatzkapazitäten deutlich abgeraten. [5] S.5, [6] S.4)
In der Praxis ist solch ein Einsatz tatsächlich nur schwer zu vermitteln. Die Verwendung eines SNT mit einer entsprechenden Leistungsreserve ist zweifellos kostengünstiger und platzsparender als der Einsatz von hochkapazitiven, voluminösen Kondensator-Batterien.
F: Gibt es Empfehlungen, wie groß diese Leistungsreserve sein soll?
A: Ja. Es wird eine Leistungsreserve von bis zu 200% beziffert [4] S.145.
F: Ich habe ein Schaltnetzteil. Könntest du es einmal so wie im Beitrag vergleichsweise ausmessen?
A: Ja. Kontakt bitte per PM im ADW-Forum.
Rundmacher
Quellenverzeichnis
[1] Schalt_Netzteil_entstoeren_V4-HB9BXE.pdf //Bericht von Hans-Peter, HB9BXE
https://www.hb9f.ch/bastelecke/pdf/Vortraege/2018/Schalt_Netzteil_entstoeren_V4.pdf
[2] Entstörung-eines-Schaltnetzteiles-DGØSA.pdf //Bericht von Wolfgang, DGØSA (R.I.P.)
https://www.dg0sa.de/snt.pdf
[3] EMV-Schaltnetzteil //Allgemeiner Vortrag von Günter, DL4ZAO
https://www.dl4zao.de/_downloads/EMV-Schaltnetzteil.pdf
[4] Hypex Whitepapers: Die Überlebenshilfe für Ingenieure
https://www.diyclassd.com/media/ed/cf/4a/1682341903/The%20engineers%20survival%20guide.pdf
[5] Hypex: Schaltnetzteil SMPS1200a400
https://www.diyclassd.com/media/8c/22/86/1646037796/SMPS1200Axx0_10xx.pdf
[6] NCX500 – Datasheet R2.pdf
https://www.hypex.nl/media/48/42/e3/1723282260/NCX500%20-%20Datasheet%20R2.pdf
Meine Bezugsquellen
Notebook-Netzteil König P.SUP.NBT150K1 // max. 24V / 6A
– Diese Ausführung scheint abgekündigt zu sein und ist nur noch vereinzelt zu finden.
– Baugleich: VOLTCRAFT NPS-134 USB-Notebook-Netzteil 134.5W // max. 24V / 5,5A
– bei den gängigen Versandhändlern lieferbar –
Ringkerne aus [1]
– Distrelec (Industriepreise), Pollin (teilweise bereits bewickelt)
– alte Netzteile ausschlachten!
Kondensatoren
– alle Anbieter, wenn möglich die Elkos als ESR- oder LOW-ESR Typen
Durchführungskondensatoren
– Durchführungskondensator EMI Filter SCI 105 1000nF
– EMI-RFI filters 100V 7A 0.75uF 0.01Ohm, Sprague 7JX2503
Weißblech
– Opitec (oder andere Anbieter)
– Weißblech 500 x 700 x 0,29
– Weißblech 500 x 700 x 0,49



Ein gutes Neues erstmal an Rundmacher und ans Forum,
Ohhhhkeeeeey, ich denke du wirst recht haben, ich hab (fast) nichts gerafft. 😉
Was ich glaube verstanden zu haben, ist dass das Rauschen gerade auch für Funker ein besonderes Problem darstellt. Und die deshalb keine normalen Netzteile verwenden, sondern andere, die nicht rauschen. Richtig?
Ich hatte nämlich, um meine Schreibtisch-Böxchen zu betreiben, mir seinerzeit einen SMSL SA-50 Verstärker geholt und mich mit der Diskussion befasst, welches Netzteil man denn richtigerweise dafür nähme, um Rauschen zu vermeiden. Jemand, der sich wohl auskannte (habe vergessen wo und wer) empfahl eine Funknetzteil zu besorgen inkl. einer Modellempfehlung. Solche Geräte gibts schon ab 40 – 50 € und liefern ein kristallklares Signal!
Wen’s interessiert, es sieht so ähnlich aus, wie ein Gerät am großen Fluß namens Albrecht.
Da ich jetzt den Sound per Mona höre, musste ich umswitchen und jetzt liegt hinter dem Monitor eine 20 € Platine, die mal jemand hier aus dem Forum getestet hatte … mit schnödem Notebooknetzteil, geht auch ganz gut bis jetzt.
Grüße, Rüdiger
Einen schönen 4ten Advent zusammen!
Für mich ist das Raketenphysik… aber hochinteressant. Da weiß ich wo es steht, wenn ich es mal brauche. 😌
Ich bin mit meinem Holz- und Oberflächenkram Welten davon entfernt und froh das man jede Weichenanleitung beigelegt bekommt. Netzteile sind bei mir, mit ner Schachtel drum, fest verbaut…😜
Danke für die Mühe Uwe, ich denke der Artikel geht sicher unter ‘Referenz’ in die ADW- Geschichte ein.
Habt ein schönes Weihnachtsfest im Kreise Eurer Lieben!
Die besten Grüße, Andreas
Ja genau,
er wird wohl irgendwann ins ADW-Wiki wandern.
Ich habe versucht mit den Bildern ein wenig Struktur in unsere Realität, den Netzteilen welche von einem Gehäuse umgeben sind, zu bringen.
Die Zusammenfassung und die FAQ sind vielleicht ein hilfreicher Einstieg.
VG Rundmacher
Mahlzeit Rundmacher,
mir geht das Herz auf.
HF-Störungen sind wie Voodoo, als “normaler” Elektriker hat man dagegen seine Hausapotheke,
irgendwann hat man dann genug Salz über die Schulter geschmissen und es läuft.
Diese “Schwarze Magie” von Anfang an zu beherrschen ist ausgeschlossen, aber wenn mich jemals noch mal wer danach fragt, werde ich diesen Beitrag referenzieren. Chapeau.
So exakt und messtechnisch belegt habe ich mich nie mit dieser Materie befasst, das ist eigentlich den Akademikern vorbehalten. Bei Entstörmaßnahmen nutzte ich sozusagen immer den Vorschlaghammer getreu “viel hilft viel”, was im hörbaren Spektrum stets genützt hat.
Mit “echten” HF Problemen will ich so wenig wie möglich zu Tun haben, auch wenn dies bei der aktuellen Vernetzung in der Industrie immer mehr Alltag wird. Bus-vernetzte Maschinen können Probleme haben, da träumt der F***er von.
Ein äußerst fundierter und wertvoller Beitrag von Dir, vielen Dank dafür. Für HiFi schon fast zu hoch gegriffen, aber an anderer Stelle sehr wertvoll. Und Danke an Udo für die Veröffentlichung,
dies ist sicherlich nicht Jedermanns gewohne Sonntagskost, weil ohne Lautsprecher 🙂
Gruß,
-Sparky
Hallo Sparky,
man merkt vielleicht das der Beitrag ein Langläufer ist. Ich habe es trotzdem versucht ihn zu komprimieren und ein wenig aufzulockern.
Das Fachliche ist die Grundlage und ich bin froh das ich es von den Profis aufgreifen konnte. Das es mit den Messungen so gut geklappt hat war anfangs gar nicht so sicher, der Siglent speichert die Screenshots als BMP auf einen Stick, der Rest war Routine.
Der Kern des Beitrages, die reale externe Beschaltung vom Meanwell und die immer kleiner werdenden Störteppiche waren es welche zum Beitrag führten.
Wenn ich so recht nachdenke hätte ich zumindest die FAQ an den Anfang des Beitrages setzen können. Und dort in Arial16, bold, schreiben “IHR SOLLTET ÜBERDIMENSIONIEREN! 😉
Ja, ein Beitrag ohne Lautsprecher, vierlleicht eine Weihnachtsgeschichte.
Gerade ist noch eine Weihnachtslieferung eingetroffen.
vg
Rundmacher
Mahlzeit Rundmacher,
die Wirkung von Entstörkondensatoren gegen absolute VooDoo-Probleme ist nicht zu unterschätzen. Habe ich erst letztens beim Tausch eines X2-Kondensators gemerkt und um hier RFT in Schutz zu nehmen, die haben sich vermutlich niemals träumen lassen, dass viele ihrer Erzeugnisse bis heute zuverlässig in Geräten laufen, die älter sind als ich.
Manche davon machen vermutlich ein halbes Jahrhundert durch.
Und das Thema Entstörung hat selbst im Lichtnetz Relevanz, alles wird ja immer smarter, selbst ein schnöder Badlüfter hat heute Chips integriert und Feuchteatomatik usw., habe hier im Neubau erst mal dem Gebäudeelektriker gesteckt, dass ein “Irrlicht” im Bad auch ein EMV Problem durch LED Schaltnetzteile sein kann.
Auch hier half Entstörung mit nem Kondi.
Siehe auch Rincewind seine Erfahrungen mit Schaltnetzteilen und seine ebenfalls Kondensdator basierte Lösung des Problems, wir haben gemeinsam mit nem Oszi die Wirksamkeit belegt.
Auch wenn mich 98% der Bevölkerung verprügeln wollen wenn ihnen die Folgen klar werden, ich wünsche mir Blindstromkompensation im Privatbereich.
Unser Stromnetz ist schon ne Katastrophe mittlerweile, nicht alleine durch “Dunkelflauten”, sondern was einem da als 230V AC / 50Hz verkauft wird.
Gruß,
-Sparky