Letztes Jahr entschloss ich mich, meine Frontlautsprecher in meinem kleinen IngemaxX von SB 36 auf eine BelAir 72 Front umzustellen.

Nicht dass ich mit den SB 36 unzufrieden gewesen wäre, aber das Bessere ist ja bekanntermaßen des Guten Feind. Die SB 36 brillieren mit einem sensationellen Preis-/ Leistungsverhältnis und waren jetzt einige Jahre meine treuen Begleiter in meinem kleinen Kino, aber es war Zeit Abschied zu nehmen.
Beim Kauf der BelAir 72 im Sommer letzten Jahres entschied ich mich für die „faule“ Variante, Fronten gefräst und Weiche schon aufgebaut – Hallejuja. Also „nur“ noch die Holzarbeiten und fertig waren die neuen Lautsprecher. Wie bei allen Lautsprechern in meinem Kino benutze ich 18 mm Multiplex Platten die ich hinterher nur schwarz beize. Kein Lack – keine unnötigen Lichtreflexionen und das Ergebnis, ist für diesen Einsatzzweck einfach nur gut. Nach dem ersten Probehören mit dem Aufstieg in die oberste „Bluesklasse“ war ich begeistert und alle weiteren Aktivitäten wurden erst einmal ad Acta gelegt.

Jetzt hatte ich zwar die Front mit der „kleinen Lady“, aber die Rear Lautsprecher waren noch die „alten“ Wallstreet 3 Lautsprecher. Hmmm … kurzer Blick in den Shop von Udo und da musste ich leider feststellen, dass es eine passende flache Variante für eine Wandaufhängung noch nicht gab. Getreu dem Motto „Fragen kostet nichts“, habe ich Udo kontaktiert und mein Leid geklagt. Aber wer Udo kennt, wird wissen, wie die Geschichte ausgeht.
Er meinte, dass er schon an eine BelAir 71 Wall Variante gedacht hatte, aber lieber die etwas günstigere Version mit dem Kalotten-HT der CineBel-Reihe entwickeln wollte. Trotzdem schickte er mir prompt meinen projektierten Bauvorschlag als BelAir71Wall aufgesetzt.


Ich versprach, der Erstkäufer der 4 BelAir71 zu sein, und Udo legte los.
Aus rohem MDF wurde eine Testbox gezimmert, etwas Dämmstoff eingelegt und die verkabelten Chassis angeschraubt. Auf meiner Messwand stellte ich den spätere Einsatzort nach, der natürlich seine sehr speziellen Eigenheiten hat. Frühe Reflexionen an der Wand “addieren” sich beim MW 16 P-8 wegen Phasenverschiebung mit dem Direktschall zu einer Senke, in unserem Fall liegt sie bei knapp 300 Hz. Darüber und darunter buckelt der Schrieb etwas auf. Oben glättet man mit einem fein abgestimmten Saugkreis, der sich zum Filter 2. Ordnung dazugesellt. Den unteren Buckel ignorieren wir geflissentlich, er macht lediglich Stimmen von hinten etwas fülliger. Aber in welchem Film wird schon hinter dem Rücken getuschelt?
Der Hochtöner bekam ebenfalls ein Filter 2. Ordnung und einen Spannungsteiler zur Pegelanpassung. Genügt hätte wegen der glatten Impedanz des AMT auch ein Vorwiderstand, aber die Linie auf dem Bildschirm gefiel mir mit zusätzlichem Parallel-Widerstand besser. Bei der Weichenerstellung habe ich natürlich gewissenhaft darauf geachtet, dass die Rears in Frequenzgang und Phasenlage mit den anderen Komponenten des Heimkinos zusammenpassen.



Zwei Wochen später kam dann die Rückmeldung, dass die Boxen und Weichen fertig sind. Ich konnte meine Bestellung machen und in Null Komma nix waren die Bausätze bei mir zu Hause. Dieses Mal als echte 100% Selbstbauvariante. Keine gefräste Front und die Weiche in netten Einzelteilen.
Udo fragte mich, ob ich eventuell ein Leserprojekt fürs Magazin machen möchte. Da ich als Ersttäter nun unterwegs bin und ein neuer Bausatz auf dem Markt ist, schien es mit nur fair zu sein, ein selbiges daraus zu machen – ich würde sagen ein klassisches Win-Win. Langer Rede kurzer Sinn … hier ist jetzt also meine kleine Baugeschichte.
Am Anfang war das Holz

Das Holz – wie oben schon gesagt – ist 18mm Multiplex, zugeschnitten auf Maß vom örtlichen Baumarkt. Die Zuschnitte sind ziemlich exakt und die Schnittkanten sind nicht ausgefranst.
Als ersten Schritt entschloss ich mich, die Weichen aufzubauen. Ich schnitt 4 kleine Holzbrettchen (15 cm x 10 cm) aus einer alten Möbelrückwand und auf ging’s. Da ich eigentlich ein gelernte Industrie-Elektroniker bin und Löten Teil meiner Ausbildung war, hoffe ich, dass mein alter Lehrmeister nicht mein „Ergebnis“ in Augenschein nimmt und anschließend rückwirkend meine Noten korrigiert. Okay, nicht schön aber funktional.

Beim Aufbau der Weiche habe ich zwar die beiden unteren Spulen mit Kabelbindern fixiert, aber die obere Spule (im linken Bild) habe ich quasi vergessen. Unter normalen Umständen ist das kein Problem, da die Weiche auf dem Boden liegt und keine mechanische Belastung erfährt. Aber da ich die Weichen vor dem Verschließen des Gehäuses schon mit montiert habe und bei diversen Bauschritten die Box auch mal Kopf steht, arrangiert sich die Spule mit der Schwerkraft und unterliegt hin und wieder dann doch einer mechanischen Belastung. Man kann die Bauteile auch mit Heißkleber fixieren, aber ich bin kein Freund davon, da das immer eine riesige Sauerei bei mir ist und manchmal dann doch nicht hält. Also daran denken, die schweren Bauteile (Spulen) zu fixieren. Der Rest der Bauteile hat kein nennenswertes Eigengewicht und die Schwerkraft kann diesen defacto nichts anhaben.
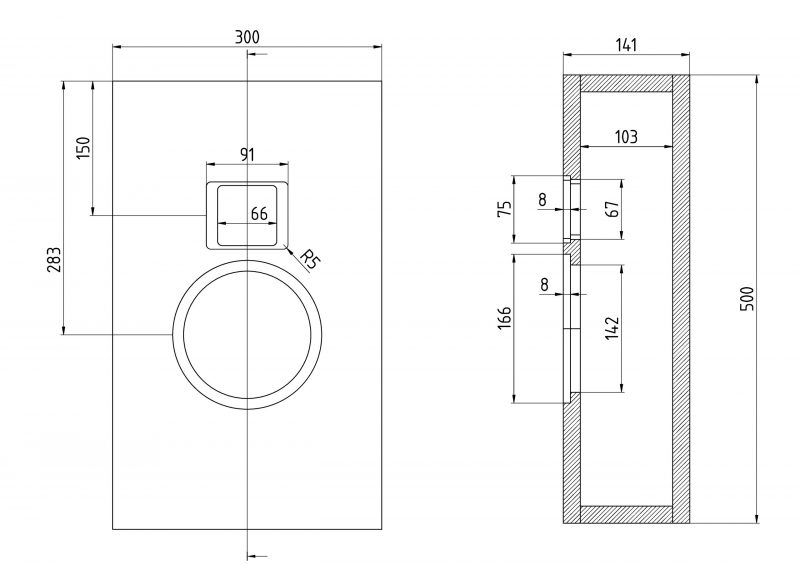
Der zweite Schritt sind die Fräsungen für den Satori MW 16 P-8. Dafür habe ich eine Oberfräse zusammen mit einem Fräszirkel benutzt. Auf einem Opferbrett habe ich mir kleine Leisten passgenau aufgeschraubt, mit denen ich die Fronten einspannen konnte. So konnte ich direkt mit dem Fräszirkel arbeiten. Das Ergebnis kann man im Bild unten sehen.

Nach der ersten Fräsung, die mit dem Rundzirkel noch ziemlich einfach war, kam die eckige Fräsung für den AT60NC-4 Hochtöner dran. Ich hatte mir früher eine Frässchablone gebaut, mit deren Hilfe man quasi rechteckige Fräsungen machen kann, mit einer Rundung in den Ecken, die durch den Fräser-Durchmesser festgelegt ist. Die Größe der Fräsung wurde anzeichnet und die Frässchablone auf die Maße der Fräsung eingestellt (Fräser mit 10mm und Abstandsring zur Führung der Oberfräse vorher eingebaut). Festgespannt und los gings. Rechts im Foto sehen wir nun das finale Ergebnis. Den leichten Grat, der stehen geblieben war, konnte ich mit einem einfachen Stechbeitel entfernen.

Nun ging es zur Vorbereitung der Gehäuse. Ich bin ein großer Lamello-Fan und mit einer entsprechenden Fräse (links im Bild) habe ich alle Teile vorbereitet. Da die Gehäuse nicht allzu groß sind, sollten zwei Lamellos pro Seite reichen. Das Gehäuse habe ich erst einmal nur mit einem Deckel fest verleimt um die Weichen noch einbauen zu können.

Dann ging es an die Durchbohrungen für die Lautsprecheranschlüsse. Der nächste Schritt war der Einbau der Weichen und die Verlötung der Lautsprechereingänge.

Dann wurde die Rückwand montiert. Hier habe ich auf die Lamellos verzichtet und nur verleimt. Die Rückwand wurde auf dem bisherigen Gehäuse zentriert und mittels Schraubzwingen fixiert. Hier sehen wir die 4 Gehäuse im Rohzustand und noch einigen Unsauberkeiten im jetzt fast fertigen Gehäuse. Hier kam dann mein Excenterschleifer zum Einsatz. Zuerst ein Grobschliff mit 80ziger Körnung und dann final noch einmal mit 120er. Im Bild sehen wir das vorher – nachher.

Jetzt mussten wir noch das Problem der Wandaufhängung lösen. Ich entschloss mich zu einer Sacklochlösung. Zuerst fräste ich mit meinem Frästisch eine Nut in die Rückwand die eine Aluleiste aufnehmen konnte.

Ich hatte noch eine alte Aluleiste rumliegen (15 mm breit 2 mm dick und die Länge für 4 Aufhängungen) und die musste jetzt herhalten. An den Stellen, wo sich die Aufhängungsschrauben befanden, habe ich mit der Ständerbohrmaschine dann die Sacklöcher gebohrt und jetzt ging es ans Finale.

Da Lack im Kino contraproduktiv ist (auf lackierten Oberflächen gibt es Lichtreflexionen), habe ich mich wieder für die gute, alte, schwarze Beize entschieden. Ein einfacher Schwamm und los gehst. Wie dunkel am Ende die Box wird, beeinflusst man mit der Anzahl der Beizvorgänge. Beizt man nur in einem Durchgang, ist die Box nicht ganz schwarz und die Holzmaserung kommt noch gut durch. Ich beize immer 2-3 Durchgänge und möchte, dass die Box ziemlich dunkel ist, um optisch unauffällig im Kino seinen Dienst zu tun.
So und nun kommt das Finale, der Zusammenbau. Die Lautsprecher wurden verlötet und die mitgelieferten Dämmmatten hinter den beiden Lautsprechern ins Gehäuse eingelegt.

So sehen sie also aus. Na dann müssen sie nur noch an ihre zukünftige Wirkungsstätte verbracht werden, um den ersten Tontest hinter sich zu bringen.

Während ich es geschafft habe, die seitlichen Lautsprecher spiegelverkehrt zu montieren, habe ich an den hinteren Lautsprechern gepatzt. Eigentlich sollten die auch symmetrisch sein mit beiden Hochtönern jeweils nach Innen. Naja, vielleicht rettet mich Udo, dass hier eine Symmetrie eventuell akustisch eher schlecht ist, dann lass ich es so. Oder ich muss noch einmal ein kleines Projekt starten und eine Box entsprechend umbauen. Ok, aber wo gehobelt wird, da fallen Spänne und es ist, wie es ist.
Nun also auf ans Probehören. Immer wieder gern als Referenz schaue ich mir “Master und Commander” beim ersten Kanonenduell mit dem Kaperschiff Acheron an. Die Kanonenkugel schlagen ein, Holz splittert und am liebsten möchte man sich die rumfliegenden Holzsplitter vom Leibe wischen. Man sitzt mitten im Geschehen und fiebert mit … Ok Test bestanden!
Auf zu “Mad Max Fury Road” … auch das ein akustischer Leckerbissen. In der Anfangsszene, als Max verfolgt und gefangen genommen wird, möchte man sich am liebsten wegducken, als die Fahrzeuge von hinten über den Kopf des Betrachters ins Bild kommen. Einfach nur genial …

Auf zur Musik … ich habe mir Adele – life in der Royal Albert Hall vor langer Zeit gekauft und auch das kann sich sehen und hören lassen. Man sitzt quasi mitten in den Zuschauerreihen und von hinten wird geklatscht, geniale Atmosphäre. Die Musik klingt phantastisch und, wenn die Zuschauer ins Spiel kommen, kann man fast vergessen, dass man nicht life vor Ort ist.
Ok, lange Rede kurzer Sinn … ich bin sehr zufrieden. Das Projekt hat wie immer Spaß gemacht und am Ende wurde man belohnt mit einem sensationellen Ton. Jetzt habe ich nur ein echtes Problem! Was baue ich als nächstes? Ok, das ist natürlich ein echtes Luxusproblem und irgendetwas wird mir schon einfallen.
Euer Ingo aus Braunschweig
Zur BelAir 71 Wall im Online-Shop



Hallo Ingo,
das Setup waere auch mein Traum, ich habe die 72er im Wohnzimmer im Stereo Einsatz. Im Keller das 7.1.4 System leider mit einem kompletten Mischmasch aus Fertiglautsprechern. Da wuerde eine BelAir Bestueckung wie die Faust auf’s Auge passen…
Viele Gruesse,
Wolfgang.
Hallo Wolfgang,
im Wohnzimmer habe ich aktuell eine SB85 die auch schon sensationell klingt, aber für lange Winterabende wenn man mal Langeweile, hat könnte man da auch noch was machen :).
Am liebsten eine BelAir73, aber da muss ich wohl im heimischen Controlling Ausschuss ein paar Runden drehen ;).
Viele liebe Grüße aus Braunschweig
Hallo Ingo, das sieht richtig gut aus. Um so einen Raum beneide ich Dich. Weiter viel Spaß damit.
Liebe Grüße aus Wesel
Markus
Hallo Markus, danke für die Lorbeeren :). Ich habe viele Jahre an dem Raum “rumgebastelt” und als der Raum quasi fertig war, habe ich mit dem Selbstbau der Lautsprecher angefangen.
Naja und nun – gute Frage aber da wird uns schon was einfallen.
Liebe Grüße aus Braunschweig