Es ist der Trend der Zeit, alles kleiner und, wenn möglich, noch kleiner zu machen. Auch am Lautsprecherbau geht das nicht vorbei, geschuldet auch der massiven Abhängigkeit vom Smartphone. Es hat uns vorgemacht, wie ein Computer, eine Fotokamera, eine Navigation, eine Bibliothek und ein Lebensberater im Hosentaschen-Format mit uns herumgetragen werden kann. Auch eine komplette Musiksammlung mit Millionen von Titeln aus allen Sparten hat da noch Platz, jedoch es fehlt die Hardware für die ohrgenehme Verstärkung der Signale und vor allem deren Übertrager von elektrischen in mechanische Schwingungen. Das kratzige Kreischen aus dem kleinen Piezo-Chip kann niemand lang ertragen und Ohrstöpsel verhindern das gemeinsame Musikerleben.
Doch auch hier ist der Prozess des Schrumpfens längst in vollem Gange. Beim Verstärker haben wir bereits vor mehr als einem Jahr dank Arylic damit begonnen, kleiner bei der riesigen Menge an Funktionalität ist eine komplette Musikanlage samt allen erdenklichen Zuspielern kaum machbar. In der Reichweite bisher eingeschränkt war dieses Technikwunder allerdings durch das Stromkabel, das sein Netzteil benötigt. Und hier hilft uns wieder einmal Amazon, wo seit Kurzem ein 24 Volt-Akkupack für weniger als 40 Euro zu finden ist. Einschränkend muss gesagt werden, dass er sich trotz zahlreicher Adapter nicht mit dem Amp verbinden lässt. Daher muss wohl oder übel zusätzlich ein Adapter von DC4017 auf DC5521 für 2,99 Euro mitgeordert werden.

Nachdem die Verstärkung nun zufriedenstellend geklärt ist, wäre die einfachste Lösung, unserer MonaSB die tragende Rolle als ideales Lautsprecher-Set zu überlassen. “Viel zu groß!” hör ich schon im Innenohr. “Das muss kleiner!” Dann eben die U_Do 31/ 13, die es zwar noch nicht in der bauteillosen Ary-Ausführung gibt, aber seit Kurzem in einer richtigen Koffer-Version. “Schon besser, aber der Subwoofer ist noch etwas groß.” Na gut, dann schau ich mal, was der Markt sonst noch an Mini-Bässen bereit hält. Groß war meine Hoffnung nicht. Kleiner als ein 13er und mit weniger Volumenbedarf wird es wohl unter 80 Hz Resonanzfrequenz nicht geben. Und da kann doch wohl von Bass keine Rede mehr sein. Zwar ist es mir gelungen, mit dem ACL-Prinzip aus 10 cm Breitbändern beachtliche 60 Hz herauszukitzeln, aber die Gehäuse werden groß und der Pegel ist begrenzt. Auch ein Bandpass, der tiefer als eine normale Reflexbox spielt, lässt sich nicht in einen Zwerg verwandeln.
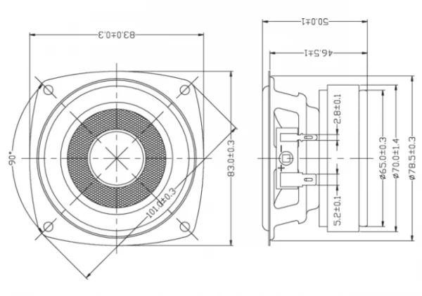
Und dann entdeckte ich beim Spazierengehen im Internet ein Dayton-Chassis namens TPC 115-4, das die äußere Körbchengröße und die Impedanz schon im Namen trug. Zusätzlich stand auch noch “Bass” dran. Ein Datenblatt war dabei und darin stand: 53,8 Hz Resonanzfrequenz.



Gefallen haben mir auch die Features:
Aluminiumträger hält die Schwingspule kühl und sorgt für hohe Belastbarkeit.
4-lagige Schwingspule mit 1 Zoll Durchmesser verbessert die Belastbarkeit und den Tieftonbereich.
Verlängerte Polplatte erzeugt ein symmetrisches Magnetfeld für geringere Verzerrung.
Optisch ansprechender, flacher Montageflansch sieht auch ohne bündigen Einbau gut aus.
Leistungsstarker Motor für Effizienz und kompaktes Gehäuse.
Nun, Papier ist geduldig und getreu dem ersten Naturgesetz für Lautsprecher-Entwicklung traue ich keinen Messungen, die ich nicht selbst gemacht habe (im originalen Wortlaut müsste hier selbstverständlich “gefälscht” stehen, aber für Fakenews ist dieses Magazin nunmal nicht bekannt). Also habe ich den TCP115-4 nach ein paar Stunden Einwobbeln selbst mit DATS gemessen.

Zugegeben, die Daten sind nicht identisch, aber doch recht nah beisammen. Berücksichtigen wir dabei, dass ich garantiert andere Messbedingungen hatte als Dayton und der TCP115-4 ein sehr preiswertes Chassis ist, kann ich mich über die Serienstreuung nicht beschweren.
LSPCad schlug mir 3 Liter mit auf 28 cm verlängertem HP 35 vor., verriet aber nicht, wie das Rohr in das Gehäuse eingebaut werden könnte. Außerdem hatte ich große Sorge, dass schon bei leicht gehobenem Pegel ordentliche Luftgeräusche verursacht werden. In geschlossen sagte mir die Simulation für knapp über 2 Litern einen -3dB-Punkt um 80 Hz voraus. Dieses Volumen war sehr klein und der Arylic 2.1 liefert an 2 Ohm 100 Watt. Folglich lag es nah, gleich zwei Minibässe in knapp 5 Liter zu bauen – immer noch ein sehr handliches Format für einen Subwoofer. Um auch das Gewicht klein zu halten, war 12 mm dickes OSB das Holz der Wahl. Das Ganze war in Freecad schnell gezeichnet, für eigene Anpassungen steht die Datei zum Herunterladen zur Verfügung.


Allein kann der TCP 115-4 kein volles Frequenzspektrum abstrahlen, er braucht einen Partner. Und weil ich nicht das Wiedergaberad zurückdrehen will, brauche ich richtigerweise sogar zwei für Stereo. Ebenfalls bei Dayton fand ich den PC 83-4, einen Dreizoll-Breitbänder mit flachem Korb, dem wie dem TCP 155-4 ein Loch für den Einbau in sein Häuschen genügt.





“Der Dayton Audio PC83-4 3″-Breitbandlautsprecher verfügt über eine poly-gedämpfte Glasfasermembran, eine gedämpfte Gummisicke und einen hochenergetischen Motor. Die zusätzliche Kupferkappe auf dem verlängerten Pol verbessert die Membransteuerung, senkt die Induktivität und verringert Verzerrungen, was zu einem verbesserten Hochfrequenzgang führt. Mit seiner hervorragenden Breitbandleistung, dem kontrollierten Off-Axis-Frequenzgang und seiner hohen Effizienz bietet dieser Lautsprecher eine für seine Größe beeindruckende Leistung. Der Dayton Audio PC83-4 eignet sich perfekt für den Einsatz in Line-Arrays, Soundbars, tragbaren Lautsprechern oder sogar Car-Audio-Systemen und bietet hohe Klangtreue und geringe Verzerrung bei kompakten Anwendungen zu einem erstaunlichen Preis-Leistungs-Verhältnis.”
Auch den Daten des PC 83-4 habe ich erst geglaubt, als ich sie selbst gemessen hatte.

Für die Satellitenbox habe ich das Volumen von einem Liter so aufgeteilt, dass die Tiefe der Subbox entsprach und aufgesetzte Front und Rückwand mit 10 cm Breite vom Baumarkt zusgeschnitten werden. Kleinere Maße dürfen die Leute an der Säge nicht abschneiden, das verbietet der Unfallschutz. Es ergab sich eine Höhe von 12,4 cm. Für eigene Modifikationen gibt es natürlich auch hierfür die Freecad-Datei.


Sehr einfach war der Bau der Gehäuse. Trotzdem gibt es ein paar Bilder für die Ungeübteren, die ich mit diesem einfachen Projekt gern mit dem Selbstbau-Virus infizieren möchte.









Wer im Umgang mit dem Lötkolben nicht vetraut ist, hat nur einmal im gesamten Projektverlauf ein Problem zu lösen. An die Klemmdosen müssen die Kabel gelötet werden, die später das Signal vom Amp zu den Chassis leiten. Vorderseitig gibt es angekrimpte Flachstecker, breit am roten und schmal am schwarzen Kabel. Wer nun versehentlich rot an Chassis-Minus steckt, wird schwarz nicht auf die andere Lasche schieben können. Somit ist das Ganze auch noch gegen Verpolung geschützt.
Gefüllt wird die Bassbox mit vier Streifen Posterwatte in 15 x 30 cm, für die Satelliten reicht jeweils 1 x 15 x 20 cm.
Weichen gibt es nicht, der Arylic 2.1 hat DSP, mit dem der Frequenzgang von Sub und Sat begradigt wird. Das überlasse ich selbstverständlich nicht dem Nachbauer, die Programmierung wird vor dem Verpacken des Bausatz-Sets auf den Amp geladen. Damit sie auch gesichert werden kann, stelle ich eine kostenlose Version der ACPWorkbench nach dem Kauf zum Herunterladen zur Verfügung. Wie sich die Glättung per DSP auf die Diagramme auswirkte, will ich nicht verheimlichen.



Für den Satelliten aktivierte ich einen Hochpass 2. Ordnung, einen Boostcut auf der Überhöhung in den Mitten und einen Shelf gegen den starken Anstieg oberhalb von 9 kHz. Auch die Spitze bei 15 kHz wurde abgeschwächt.
Beim Bass gewann ich durch die Doppelbestückung 6 dB unterhalb von 100 Hz, die durch entsprechend nötige Pegelanhebung einen einzelnen TPC schnell an sein Ende gebracht hätten. So konnte ich die noch erforderliche Pegelkorrektur in moderatem Rahmen lassen Ein Hochpass und ein Tiefpass jeweils 2. Ordnung vervollständigten die Filterung. Für die Addition der Zweige muss der Subwoofer verpolt angeschlossen werden. Die kleine Kerbe bei 190 Hz ist eine Reflexion vom Fußboden. Leider hat mir mein Vermieter bisher nicht erlaubt, den Laden oder einen Nebenraum zu einer 7 x 7 x 7 m reflexionsarmen Messkammer umzubauen.


In Relation zu nur einem Satelliten ist der Subwoofer um 3 dB zu laut. Ist auch der zweite Satellit angeschlossen, passt alles. Unter Winkel habe ich nur bis 30 Grad gemessen, Breitbänder bündeln stark in hohen Frequenzen und sollen daher leicht auf den Zuhörer eingewinkelt werden. Testweise habe ich das Set zusammengeschnürt und gewogen. Mit 6,9 kg und selbstgeformtem Griff ist es gut tragbar.


Schnell nebenher will ich auch noch die Frage: “Kann ich das BBDay-Set denn auch als Soundboard nutzen?” beantworten. So kann der Subwoofer in gestreckt aussehen. Als optionales Zubehör gibt es das 24 Volt-Netzteil und die Fernbedienung im Shop.

Vor der Hörprobe mussten erst einmal die Komponenten verkabelt werden. Hierzu benötigt man einen kleinen Schraubendreher und je nach gewünschter Aufstellungsbreite ein paar Meter Lautsprecherkabel. Ich verwende dafür preisgünstiges Stromkabel H07V-K mit 1,5 mm² Dicke ohne jede marktschreierisch angedichteten Eigenschaften wie “klangvoll” oder “können Signalverluste, Verzerrungen und Störungen minimieren”. Und so sah die Verkabelung aus, einmal von hinten und einmal von vorn. Beachte, dass beim Subwoofer das rote Kabel in der schwarzen Klemme des Terminals sitzt.


Nach drei Minuten Kabelstecken verband ich den Arylic-Amp mit meinem Smartphone, das per 4Stream-App die Steuerung übernahm. Die Beschreibung der Kopplung ist im Bericht zur Ary SB 12_8 ausführlich erklärt. Da ich angesichts des Zielpublikums diesmal nicht wieder 40 – 50 Jahre alte Rock-Legenden für meinen Hörtest heranziehen durfte, streamte ich per Bluetooth Katy Perry’s Bandaids zum Verstärker. Mit großartiger Stimme und ausdrucksstarker Betonung ihrer Worte trug die Sängerin den lyrischen Text über das gebrochene Herz vor. Hervorragend wurde das Ganze musikalisch unterlegt mit Tonfolgen, die klar und erkennbar aus den Lautsprechern kamen. Anfangs hörte ich noch recht leise, doch dann wollte ich auch mal wissen, was meine Musikanlage bei lauten Tönen veranstaltet. Nun, was soll ich sagen? Nichts plärrte, nichts wurde nervig, es klang nicht einmal angestrengt. Alles in allem – und das ist ein Kompliment für solch eine Mini-Musikanlage – ist die BBDay sehr gut ertragbar.

“Was hast du denn da unten gehört?” fragte mich meine Frau, als ich um 17 Uhr brav oben in der Küche mein Obsttellerchen aß. Nun, laut genug war es also. Wie lang der Akkupack hält, konnte ich nicht wirklich testen. Nach insgesamt zwei Stunden Dauerlauf waren immer noch 75 % Ladung vorhanden.
Einen Gedanken bekam ich nach der Hörprobe allerdings nicht aus dem Kopf: Ist das nicht genau das Ding, das man in 3D-Druck basteln muss?
Udo Wohlgemuth
Zur Ary BBDay im Online-Shop



Hallo Udo,
ich war gerade in der Planung fuer eine 2-Wege Box mit DSP (einfach weil ich das noch nicht gemacht habe) als Lautsprecher fuer meinen PC. Idealerweise als Wandlautsprecher hinter dem Monitor aufgehaengt mit den Chassis dann links und rechts vom Monitor. In dem Augenblick wird der Bericht zu den BBDay veroeffentlicht. Da die Chassis nur eine sehr geringe Tiefe haben (innen brauchen sie nur ca 4cm) moechte ich die gesamte Box (subwoofer und beide Satelliten) als einen moeglichst flachen Riegel bauen. Hat es negative Auswirkungen, wenn ich die Box dann innen nur 6-7cm tief mache und dafuer in die Breite (und ggfs etwas in die Hoehe) baue? Gibt es also eine Mindesttiefe, die zu beachten ist?
Dank und Gruss,
Wolfgang
Hallo Wolfgang,
lass hinter dem Magneten noch 2 cm Luft, dann kannst du den Riegel bauen. Falls nötig, sind kleine Anpassungen per DSP machbar. Die Workbench ist leicht zu bedienen und die Filterwirkung in Echtzeit per Ohr zu überprüfen.
Gruß Udo
Hallo,
das sind 3D gedruckte Mini ACLs. War ein erster Test mit 10mm Wänden (2 oder 3 Konturlinien, müsste ich nochmal nachschauen) und 15% Infill. Es sollte definitiv mehr sein, obwohl die sich schon echt gut anhören…der Unterschied zur 12mm MDF Version ist schon zu hören.
beste Grüße
Timo
Front
Back
Mensch Timo,
da baust du die Zukunft und schreibst keinen Bericht? Jetzt aber mal ran! 😉
Gruß Udo
Moin Udo,
ich schau mal, was mir zum Werdegang noch so einfällt…
Gruß
Timo
Hallo,
der eine Enkel von mir, der mit den Ohrstöpseln beim Jahrestreffen, hat im Herbst Geburtstag.
Ich glaube ich hätte jetzt eine Idee was ein passendes Geschenk wäre. 🙂
Hier wird anscheinend gerade die Baustelle “3D-Druck Gehäuse” aufgemacht, das wird sicherlich hochinteressant.
Jawohl, da bleibt man dran.
VG Rundmacher
Hallo Udo,
die Idee „Wenn schon klein, dann richtig“ gefällt mir. Aus verschiedenen Gründen gehöre ich nicht zum Zielpublikum (obwohl, never say never), aber ich sehe schon am nächsten Himmelfahrtstag ganze Herr-Scharen mit Grobspan-Ghettoblastern auf der Schulter zum Grillplatz pilgern 😉
Eine generelle Frage sei mir an der Stelle erlaubt: Ist denn das eigene Messen und bestimmen von TSP-Parametern tatsächlich noch notwendig oder eher eine Tradition, weil das früher ratsam war? Wenn ich einem namhaften Hersteller wie Dayton Audio oder SB Acoustics im Jahr 2026 vertraue, ein Lautsprecherchassis professionell entwickeln zu können und mit automatisierten Prozessen und Qualitätsmanagement in Serie mit geringer Streuung zu fertigen, dann sollte man demselben Hersteller doch glauben können, TSPs und andere Daten korrekt zu messen und wahrheitsgetreu im Datenblatt anzugeben, oder?
Gruß, Martin F
Hallo Martin,
natürlich werden die TSP von jedem Hersteller korrekt gemessen und im Datenblatt angegeben, doch wie sie erstellt wurden, steht dort nicht. Die Parameter ändern sich schon, wenn mit unterschiedlicher Spannung gemessen wird. Zudem gibt es weltweit unterschiedliche Normierungen, Messungen mit Konstant-Strom und Konstant-Spannung, nach 10 Minuten oder 24 Stunden Einwobbeln, um nur ein paar Unwägbarkeiten aufzuzählen. Eigene Messergebnisse sind für mich dagegen vergleichbar, weil sie immer in gleicher Weise entstehen. Da ich zudem auch mehr als nur ein Chassis prüfe, habe ich auch einen kleinen Anhalt in Bezug auf Serienstreuung. Weiterhin wurde das Datenblatt mit einem Chassis aus der ersten Serie erstellt. Ob es auch für die aktuelle Auflage noch stimmt, überprüfe ich mit Stichproben bei jeder neuen Lieferung.
Gruß Udo
Hallo Udo,
deine Qualitässicherung durch diese Wareneingangskontrolle ist sehr respektabel. Den Aufwand betreiben andere bestimmt nicht.
Jetzt bin ich gespannt, welche kreativen Berichte wir hier zu dem Bausatz sehen werden.
Gruß,
Martin F
Hallo Udo,
als ich die Maße von der Ary BBDay sah, dachte ich auch direkt daran die in 3d auszudrucken.
Der Druck würden vermutlich recht lange dauern aber mehr als mal Filament nachzufüllen wird wohl nicht nötig sein und die Bude bliebe sauber.
Mit meinem Drucker könnte ich die Ary BBDay so nicht drucken, dafür sind die Teile mit 260mm um genau 4mm zu breit. Mein Drucker, so wie die meisten anderen auch, kann nur maximal 256mm in jede Richtung drucken. Das sollte in den FreeCAD Dateien aber leicht zu ändern sein und man muss nur noch herausbekommen mit welchem Füllgrad die Gehäuse am besten gedruckt werden sollten.
Nun muss ich nur noch einen Einsatzzweck finden, ich mache mich direkt auf die Suche.
Viele Grüße
Christoph
Hallo Christoph,
dann hoffe ich, dass du schnell einen Einsatzort für die gedruckte BBDay findest. Die Freecad-Datei liefert dir die passenden Maße, für den Füllgrad kann ich keine Hilfe anbieten, aber vielleicht liest der eine oder andere Druckexperte deinen Kommentar und hat den einen oder anderen Rat.
Gruß Udo